认证信息
认 证:工商信息已核实
访问量:33729
手机网站
扫一扫,手机访问更轻松
产品分类
产品简介
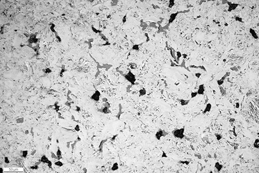
照片来源:德国拜耳技术服务材料检测报告
石墨材料由于其优良的导热性能及杰出的防腐性能被广泛应用化工、电子、钢铁、医药等行业。南通三圣石墨设备科技股份有限公司致力石墨材料的开发与研究已有40多年历史,拥有丰富的应用经验和20多项专有技术,所开发的石墨材料包括B1、B2、B3,所采用的浸渍液包括合成树脂和氟复合树脂,**耐温可达200℃以上,用户可根据设计的要求参照我公司材料特性数据表及耐化学性性能表选择相应石墨材料。
- 推荐产品
- 供应产品
- 产品分类



